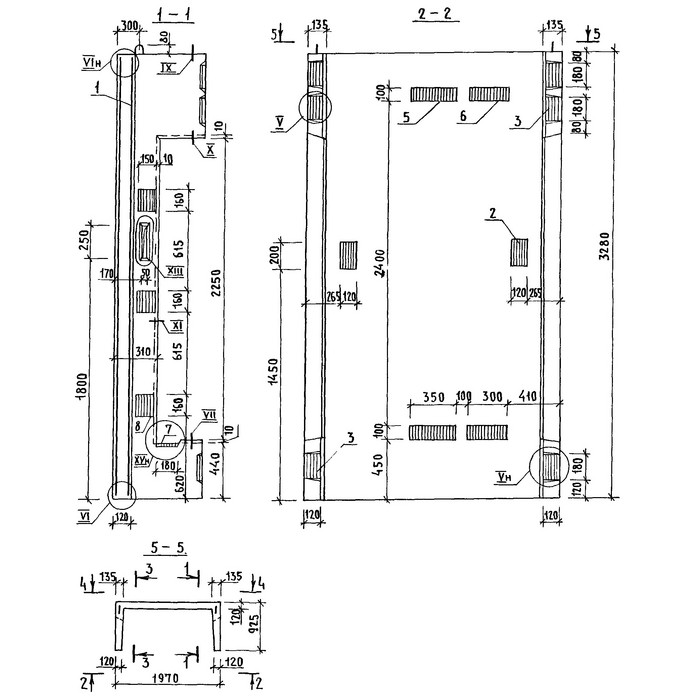
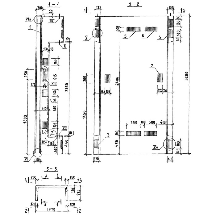
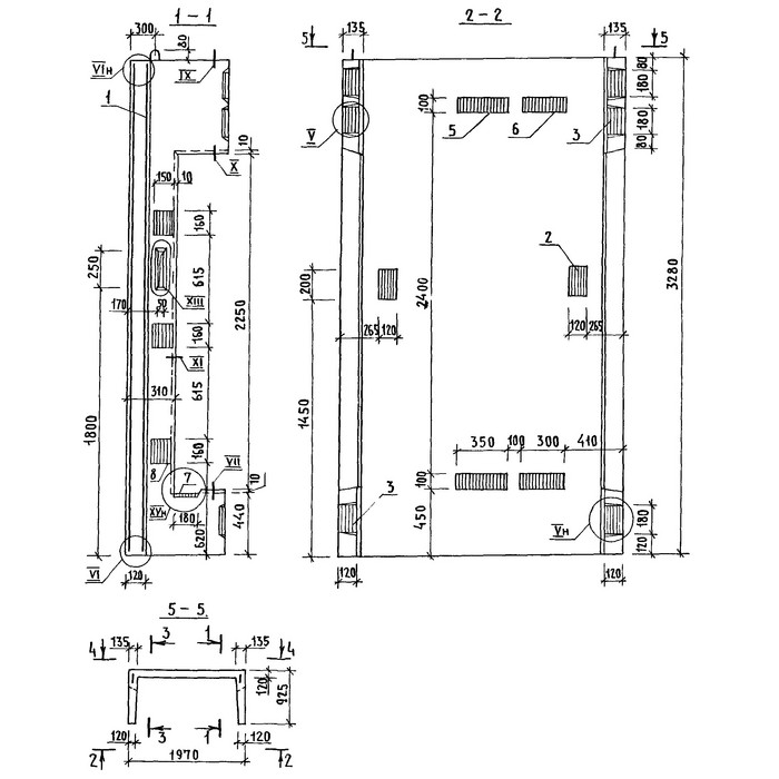
Шахта лифтовая БШЛ 63б-36-4 б предназначена для установки в зданиях с лифтами. Изготовлена из железобетона, что обеспечивает прочность и долговечность конструкции. Лифтовая шахта имеет стандартные размеры и габариты, что позволяет легко интегрировать ее в любое здание.
Шахта лифтовая БШЛ 63б-36-4 б идеально подходит для использования в жилых домах, офисных зданиях, торговых центрах и других сооружениях, где необходимо обеспечить безопасную и эффективную работу лифта. Этот продукт отличается высоким качеством и надежностью, что делает его идеальным выбором для различных типов зданий.









