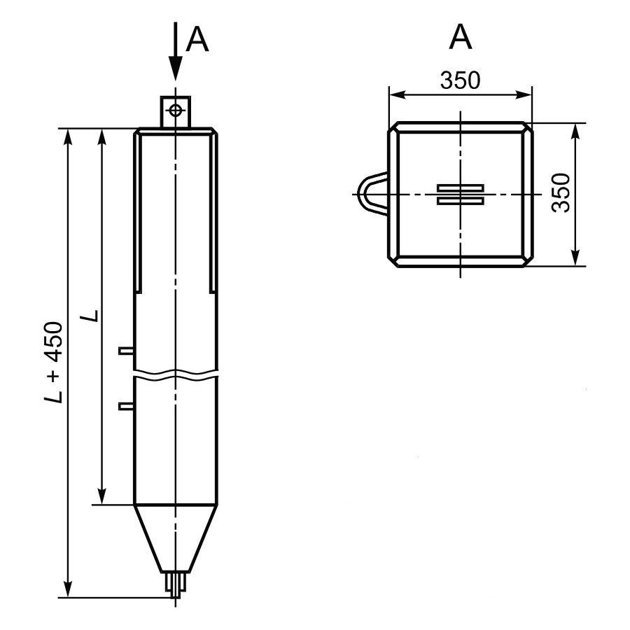
Анкеры для контактной сети АС-10 предназначены для надежного крепления контактной сети к железобетонным конструкциям. Изготовлены из высококачественной стали, что обеспечивает долгий срок службы и надежность крепления. Простота монтажа делает их удобными в использовании.









